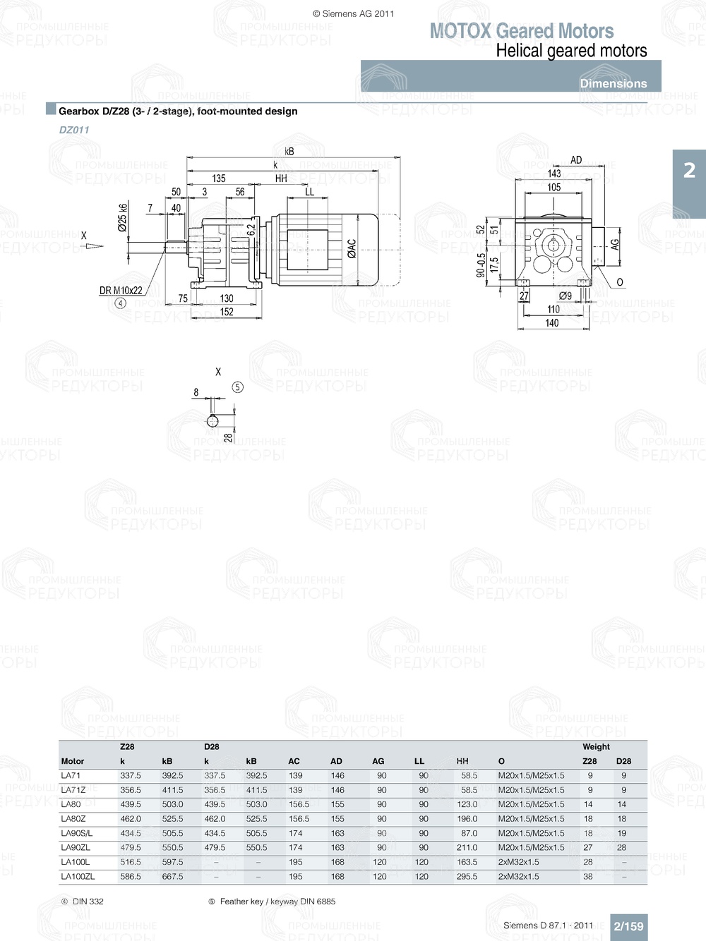
Соосный мотор-редуктор Flender D/Z28
- Мощность двигателя, кВт от 0.12 до 3
- Обороты на выходе n вых, об/мин от 6.7 до 821
- Крутящий момент на вых. валу Тном, Нхм от 25 до 238
Производим редукторы под собственной маркой ПР - полные аналоги Flender D/Z28
- 95% совместимость без доработок
- Быструю поставку со склада
- Привлекательную цену без потери качеств
Редуктор D/Z28 от немецкого производителя Flender представляет собой высокотехнологичное решение для передачи мощности в промышленных установках. Этот соосный редуктор отличается превосходной надежностью и долговечностью, что обеспечивается использованием высококачественных материалов и передовых технологий производства. Конструкция редуктора D/Z28 позволяет эффективно снижать скорость вращения и увеличивать крутящий момент, что делает его идеальным для применения в тяжелых условиях эксплуатации. Благодаря оптимизированной геометрии зубьев и точной обработке деталей, редуктор обеспечивает минимальные потери энергии и низкий уровень шума, что особенно важно для промышленных объектов с высокими требованиями к энергоэффективности и комфорту.
Редуктор D/Z28 от Flender также отличается удобством в обслуживании и ремонте. Конструкция устройства предусматривает легкий доступ к основным узлам, что значительно упрощает техническое обслуживание и снижает время простоя оборудования. Высокая точность изготовления и использование современных смазочных материалов обеспечивают длительный срок службы редуктора без необходимости частой замены компонентов. Благодаря этим характеристикам, редуктор D/Z28 от Flender является оптимальным выбором для предприятий, стремящихся к повышению производительности и снижению эксплуатационных затрат. Высокое качество и надежность продукции Flender подтверждены многолетним опытом и положительными отзывами клиентов по всему миру.
Сроки: Доставка по России в среднем занимает от 3 до 10 рабочих дней, но может варьироваться в зависимости от региона. Для удалённых регионов, таких как Западная Якутия, сроки согласовываются индивидуально.
Условия отгрузки: Отгрузка с производства и передача в транспортную компанию осуществляется в день готовности заказа.
Способы доставки: Доставка осуществляется исключительно транспортными компаниями. Бесплатно доставляем заказ до терминала ТК.
Стоимость доставки: Рассчитывается индивидуально и зависит от региона, веса и габаритов товара.
Способы оплаты: Только безналичный расчёт.
Оплата производится согласно согласованным условиям поставки.
Если требуется дополнительная информация, уточните у нашего менеджера!
Доступные способы доставки
- Доставка до терминала в городе получателя
Вы выбираете нужную транспортную компанию, мы отправляем заказ, а вы забираете его с ближайшего терминала в вашем городе. Это удобно, если рядом с вами есть отделение — можно забрать в удобное время и не переплачивать за адресную доставку.
- Адресная доставка до получателя
Не нужно думать, как организовать перевозку тяжелого оборудования — мы всё сделаем за вас. Привезём редуктор точно по адресу: на производство или прямо на объект. Учитываем особенности груза и условия транспортировки, чтобы доставка прошла быстро, удобно и без лишней суеты.
- Самовывоз с терминала Деловые Линий или ПЭК в Челябинске
Для клиентов из Челябинска доступен самовывоз с терминала транспортной компании. Информация о дате и точке выдачи передаётся заранее. Процесс организован максимально просто и понятно: получение груза — без задержек и лишних действий.
Мотор-редуктор Flender D-Z28


Ключевые преимущества редукторов серии ПР
Видео-отзывы
Ознакомиться с отзывами
Команда экспертов
по приводной технике
Луканина Наталья
Руководитель отдела продаж
Шишук Виктория
Руководитель фронт-линии
Сиражетдинов Дмитрий
Руководитель отдела клиентского сервиса
Снигир Олег
Ведущий менеджер по продажам
Киселев Егор
Менеджер по продажам
Друченко Александр
Менеджер по продажам
Новиков Максим
Менеджер по продажам
Тыщенко Иван
Менеджер по продажам
Уржунцев Александр
Менеджер по продажам
Мы не просто продаём редукторы — нам доверяют, потому что решаем задачи быстро и точно
Вопрос-ответ
Читайте наши статьи о мотор-редукторах и их применении
Оставьте свои контактные данные и наши специалисты свяжутся с вами в течение 15 минут.