Соосный мотор-редуктор Yilmaz M 672/673/674/675/676 по низкой цене от производителя в Уфе

Соосный мотор-редуктор Yilmaz M 672/673/674/675/676

Характеристики:
  • Мощность двигателя, кВт от 0.75 до 45
  • Обороты на выходе n вых, об/мин от 2.7 до 299
  • Крутящий момент на вых. валу Тном, Нхм от 760 до 4807
Все характеристики
Оставить заявку
Возможна поставка только редукторной части без электродвигателя. Уточняйте у менеджеров более подробную информацию.

Производим редукторы под собственной маркой ПР - полные аналоги Yilmaz M 672/673/674/675/676


  • 95% совместимость без доработок
  • Быструю поставку со склада
  • Привлекательную цену без потери качеств

Перейти к ПР 1110
Получите бесплатную консультацию по подбору оборудования
Номер для связи:
WhatsApp и Telegram
Описание
Характеристики
Доставка и оплата
Аналоги
Техническая документация
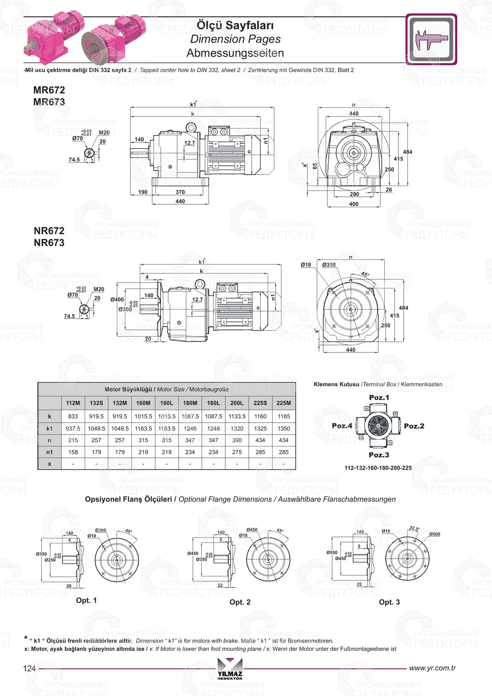
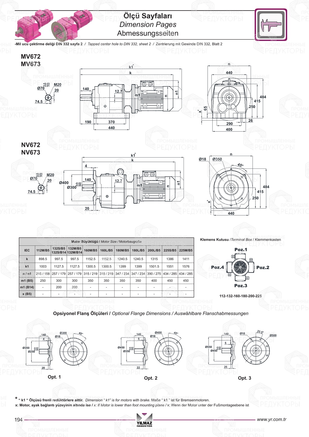
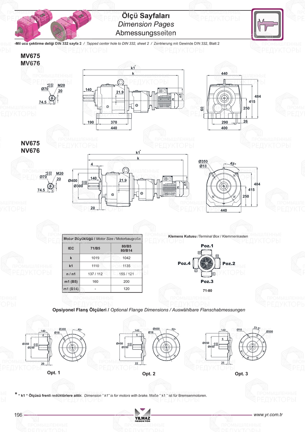
Чертеж

Редуктор M 672/673/674/675/676 от турецкого производителя Yilmaz представляет собой высоконадежное соосное решение для передачи мощности в промышленных механизмах. Конструкция обеспечивает эффективное распределение нагрузок за счет оптимизированной геометрии шестерен и использования высокопрочных материалов. Точность обработки зубчатых колес минимизирует вибрации и шум при работе, а герметичные корпуса предотвращают попадание загрязнений. Установленные подшипники повышенной износостойкости гарантируют долговечность даже в условиях интенсивной эксплуатации. Редуктор поддерживает широкий диапазон передаточных чисел, что позволяет адаптировать его под различные требования к скорости и крутящему моменту.

Модельный ряд M 672/673/674/675/676 отличается модульной конструкцией, упрощающей обслуживание и замену компонентов. Встроенная система смазки обеспечивает стабильную работу в любых условиях, а компактные габариты позволяют интегрировать редуктор в ограниченные пространства. Производитель Yilmaz применяет строгий контроль качества на всех этапах производства, что подтверждается сертификатами соответствия международным стандартам. Редуктор идеально подходит для конвейеров, насосных станций и других механизмов, требующих надежной и точной передачи мощности. Высокая энергоэффективность и минимальные потери на трение делают его экономически выгодным решением для промышленных предприятий.

Мощность двигателя, кВт от 0.75 до 45
Обороты на выходе n вых, об/мин от 2.7 до 299
Крутящий момент на вых. валу Тном, Нхм от 760 до 4807
Передаточное число, U от 4.9 до 251.2
Консольная нагрузка Fном, Н от 6916 до 35435
Сервис-фактор, Sfном от 0.8 до 3.8
Доставка

Сроки: Доставка по России в среднем занимает от 3 до 10 рабочих дней, но может варьироваться в зависимости от региона. Для удалённых регионов, таких как Западная Якутия, сроки согласовываются индивидуально.

Условия отгрузки: Отгрузка с производства и передача в транспортную компанию осуществляется в день готовности заказа.

Способы доставки: Доставка осуществляется исключительно транспортными компаниями. Бесплатно доставляем заказ до терминала ТК.

Стоимость доставки: Рассчитывается индивидуально и зависит от региона, веса и габаритов товара.

Оплата

Способы оплаты: Только безналичный расчёт.

Оплата производится согласно согласованным условиям поставки.

Если требуется дополнительная информация, уточните у нашего менеджера!

Доступные способы доставки

  1. Доставка до терминала в городе получателя

    Вы выбираете нужную транспортную компанию, мы отправляем заказ, а вы забираете его с ближайшего терминала в вашем городе. Это удобно, если рядом с вами есть отделение — можно забрать в удобное время и не переплачивать за адресную доставку.

  2. Адресная доставка до получателя

    Не нужно думать, как организовать перевозку тяжелого оборудования — мы всё сделаем за вас. Привезём редуктор точно по адресу: на производство или прямо на объект. Учитываем особенности груза и условия транспортировки, чтобы доставка прошла быстро, удобно и без лишней суеты.

  3. Самовывоз с терминала Деловые Линий или ПЭК в Челябинске

    Для клиентов из Челябинска доступен самовывоз с терминала транспортной компании. Информация о дате и точке выдачи передаётся заранее. Процесс организован максимально просто и понятно: получение груза — без задержек и лишних действий.

Транспортные компании

Мотор-редуктор Yilmaz M 672-673-674-675-676

Yilmaz M 672-673-674-675-676
Yilmaz M 672-673-674-675-676
Yilmaz M 672-673-674-675-676
Yilmaz M 672-673-674-675-676
Yilmaz M 672-673-674-675-676
Yilmaz M 672-673-674-675-676
Yilmaz M 672-673-674-675-676
Yilmaz M 672-673-674-675-676
Yilmaz M 672-673-674-675-676
Yilmaz M 672-673-674-675-676
Yilmaz M 672-673-674-675-676
Yilmaz M 672-673-674-675-676
Yilmaz M 672-673-674-675-676
Yilmaz M 672-673-674-675-676
Yilmaz M 672-673-674-675-676

Ключевые преимущества редукторов серии ПР

Закалённые шестерни - твёрдость 56-62 HRC
Высокочастотная закалка и цементация повышают прочность и износостойкость зубчатых передач.
Идеальная геометрия зацепления - 6-я степень точности
Шлифовка зубьев обеспечивает высокую точность зацепления (6-я степень), снижает шум и вибрации и делает работу редуктора более плавной и стабильной.
Долговечность - 7-10 лет срока службы
Средний срок эксплуатации редукторов серии ПР составляет 7–10 лет 
при правильной эксплуатации.
Инженерная поддержка 
и документация
Предоставляем 3D-модели, подробную техническую документацию и чертежи 
на нашу продукцию - удобно для проектирования, согласований 
и замены оборудования.

Команда экспертов
по приводной технике

Наши менеджеры специализируются на подборе редукторов под ваши задачи. В среднем 4 из 5 технических вопросов вы сможете решить напрямую с персональным менеджером. Если ситуация требует более глубокого анализа - мы оперативно подключаем инженера.

Мы не просто продаём редукторы — нам доверяют, потому что решаем задачи быстро и точно

Быстрый и беcплатный подбор редукторов от 1 часа
Быстрый и беcплатный подбор редукторов от 1 часа
Расчеты делают инженеры с опытом 10+ лет в отрасли.
Доставка точно в срок
Доставка точно в срок
Бесплатно упакуем в усиленную обрешетку
и доставим до терминала ТК.
Гарантия 24 месяцев и полная ответственность за заводской брак
Гарантия 24 месяцев и полная ответственность за заводской брак
Осуществим ремонт и послепродажное обслуживание.

Вопрос-ответ

Какие меры необходимы для увеличения срока службы редуктора?
Для продления срока службы редуктора рекомендуется соблюдать режимы работы, регулярно проводить техническое обслуживание и использовать рекомендованное масло. Наши редукторы поставляются с инструкциями по обслуживанию, чтобы обеспечить надежную и долговечную работу.
Как выбрать редуктор, подходящий для конкретного оборудования?
При выборе редуктора важно учитывать такие параметры, как мощность, передаточное число, тип нагрузки и условия эксплуатации. Наши специалисты помогут вам подобрать оптимальный редуктор для вашего оборудования, учитывая все особенности и требования.

Читайте наши статьи о мотор-редукторах и их применении

Подберём редуктор под вашу задачу
80% технических вопросов решаются сразу, при необходимости быстро подключаем инженера.

Оставьте свои контактные данные и наши специалисты свяжутся с вами в течение 15 минут.
Оформить заявку
Максим Новиков
Менеджер по подбору редукторов с опытом более 5 лет.

Мы используем cookies

Мы используем cookies для улучшения работы сайта и предоставления персонализированного контента. Продолжая использовать наш сайт, вы соглашаетесь на использование cookies. Подробности можно найти в Политике конфиденциальности.